- Products
Sinewave brushless torque motorYou Are Here:Home >> Products >> Brushless DC motor >> Sinewave brushless torque motor
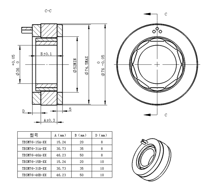
| TBSM76 series brushless torque motor |
| Release time:2017-08-10 08:45:11| Browse times: |
| Last chapter: Next chapter:TBSM60 series brushless torque motor |

